YOU CAN COUNT ON OUR EXPERTISE







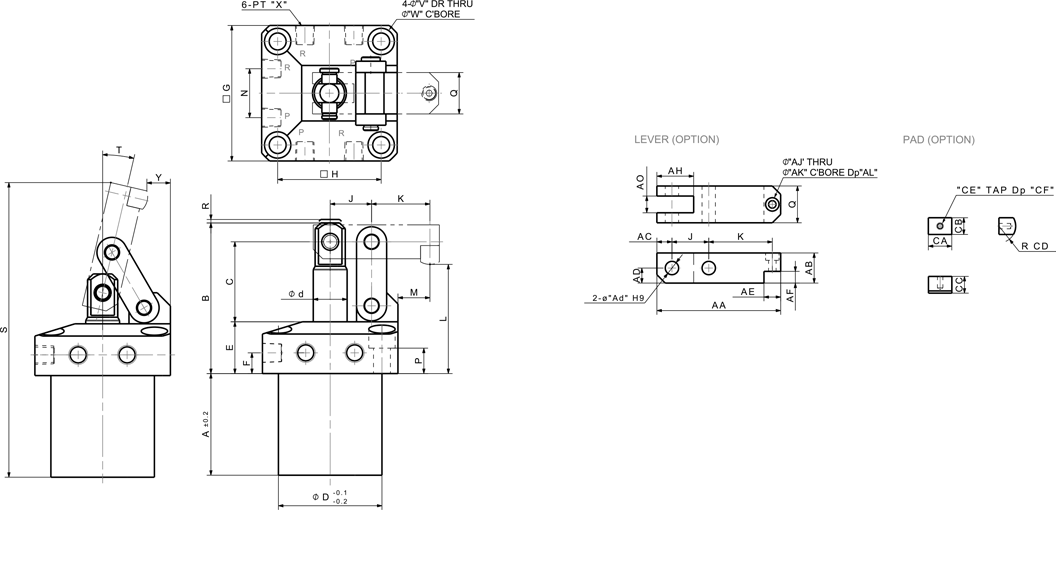
| Model No. | Clamping Force(kgf) | Piston Diameter(ø) |
Effective Area(㎠) |
Stroke(mm) | Oil Capacity(㎤) | Operating Pressure Range (kgf/㎠) |
Operating Temperature Range(℃) |
Weight (kg) |
|||
|---|---|---|---|---|---|---|---|---|---|---|---|
| @70kgf/㎠ | @150kgf/㎠ | Total | Extra | Clamp(Push) | Unclamp(Pull) | ||||||
| HGC-2502 | 228 | 490 | 25 | 4.9 | 28 | 2 | 13.7 | 8.1 | 15~150 | 0~60 | 1.73 |
| HGC-3203 | 325 | 698 | 32 | 8.04 | 28 | 2 | 22.5 | 15.4 | 2.26 | ||
| HGC-4005 | 544 | 1166 | 40 | 12.56 | 33 | 2 | 41.4 | 25.2 | 3.37 | ||
| HGC-5009 | 935 | 2004 | 50 | 19.63 | 42 | 4 | 82.5 | 52.8 | 5.67 | ||
| HGC-6315 | 1563 | 3351 | 63 | 31.16 | 50 | 4 | 155.8 | 106.3 | 9.06 | ||
| HGC-8023 | 2344 | 5023 | 80 | 50.24 | 60 | 4 | 301.4 | 206 | 15.28 | ||


