YOU CAN COUNT ON OUR EXPERTISE







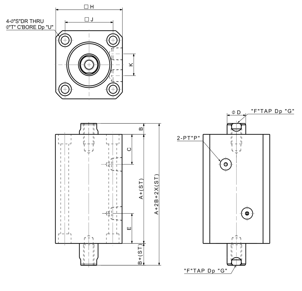
| MODEL NO. | Max.Clamping Force (Ton) | Effective Area (㎠) | Oil Capacity (㎤) | Weight(kg) | Operating Pressure Range | Operating Temperature Range | |||
|---|---|---|---|---|---|---|---|---|---|
| Push | Pull | Push | Pull | Push | Pull | ||||
| BDV-2815D | 1.02 | 4.1 | 6.2 | 1.7 | 15~250 kgf/㎠ | 0~60℃ | |||
| BDV-2825D | 10.4 | 1.9 | |||||||
| BDV-2850D | 20.74 | 2.7 | |||||||
| BDV-3215D | 1.37 | 5.5 | 8.2 | 2.0 | |||||
| BDV-3225D | 13.7 | 2.5 | |||||||
| BDV-3250D | 27.5 | 3.2 | |||||||
| BDV-4015D | 2.15 | 8.6 | 12.9 | 2.7 | |||||
| BDV-4025D | 21.6 | 2.9 | |||||||
| BDV-4050D | 43.1 | 3.9 | |||||||
| BDV-5015D | 3.40 | 13.6 | 20.2 | 3.9 | |||||
| BDV-5025D | 33.7 | 4.2 | |||||||
| BDV-5050D | 67.4 | 5.3 | |||||||
| BDV-6315D | 5.32 | 21.3 | 31.8 | 5.7 | |||||
| BDV-6325D | 53.2 | 6.2 | |||||||
| BDV-6350D | 106.4 | 7.6 | |||||||
| BDV-8015D | 8.60 | 34.4 | 51.5 | 12.5 | |||||
| BDV-8025D | 85.9 | 12.6 | |||||||
| BDV-8050D | 171.8 | 15.7 | |||||||
