제품
2차전지 대응제품
토글클램프
COMPACT
STAINLESS
LOCK
VERTICAL
HORIZONTAL
PUSH / PULL
LATCH
HEAVY DUTY WELDABLE
PNEUMATIC
SPINDLE & WASHER
유압클램프
LOCATORS
AUTO COUPLERS
MULTI-LINK CLAMPS
HINGE CLAMPS
SWING CLAMPS
BLOCK CLAMPS
BUILT-IN CLAMPS
FLANGE CLAMPS
THREADED BODY CLAMPS
HOLLOW CLAMPS
ROCKER CLAMPS
EDGE CLAMPS
VISE CLAMPS
공압클램프
POWER CLAMP
BALL LOCK CLAMPS
LOCATORS
AUTO COUPLERS
MAGNETIC SENSOR CLAMPS
MULTI-LINK CLAMPS
HINGE CLAMPS
SWING CLAMPS
PNEUMATIC TOGGLE CLAMPS
로터리조인트
FLANGE TYPE
CARTRIDGE TYPE
COMPACT TYPE
TOP TYPE
MALE TYPE
DISTRIBUTORS VALVE
워크써포트
BUILT-IN
FLANGE
BRACKET
BLOCK
기타
BOOSTER
INTENSIFIER
SEQUENCE VALVE
FLOW CONTROL VALVE
DIRECTION VALVE
SWIVEL PAD
TUNGSTEN CARBIDE GRIPPER PAD
MOUNTING BASE
SPECIAL DESIGN
5축바이스
회사소개
인사말
연혁
경영이념
조직도
장비시설
인증서
오시는 길
국내
해외
한국치공구공업(주)
다운로드
카달로그
도면
기술자료
견적/주문
&
문의
견적 / 주문
연락처
Q&A
NEWS
ENG
제품
회사소개
다운로드
고객문의
&
NEWS
토글클램프
유압클램프
공압클램프
로터리조인트
워크써포트
기타
STAINLESS STEEL
YOU CAN COUNT ON OUR EXPERTISE
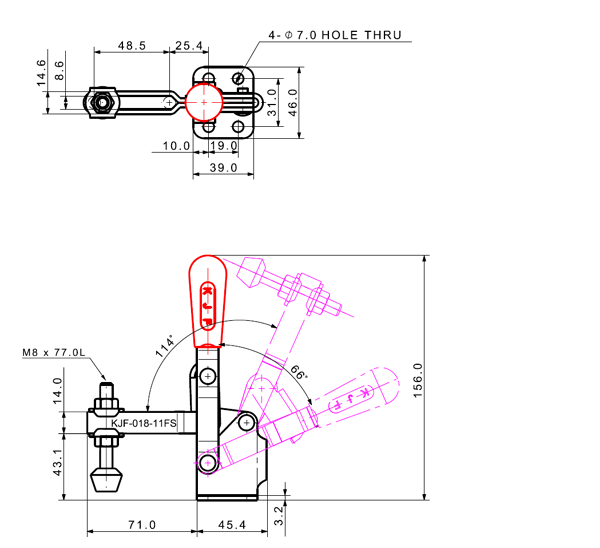
Model No.
KJF-005-11FS
Holding Capacity(kgf)
Weight(g)
Handle Move
Arm Move
Spindle Supplied
Spindle Adjust.(mm)
Arm Type
Arm Length
Base Type
Base Height
2D
3D
PDF
주문
50
63
58˚
100˚
M5 x 36.0L
20
U
Short
Flange
Low
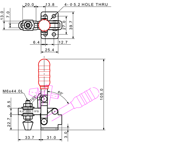
Model No.
KJF-009-11FS
Holding Capacity(kgf)
Weight(g)
Handle Move
Arm Move
Spindle Supplied
Spindle Adjust.(mm)
Arm Type
Arm Length
Base Type
Base Height
2D
3D
PDF
주문
90
157
60˚
100˚
M6 x 44.0L
20
U
Short
Flange
Low
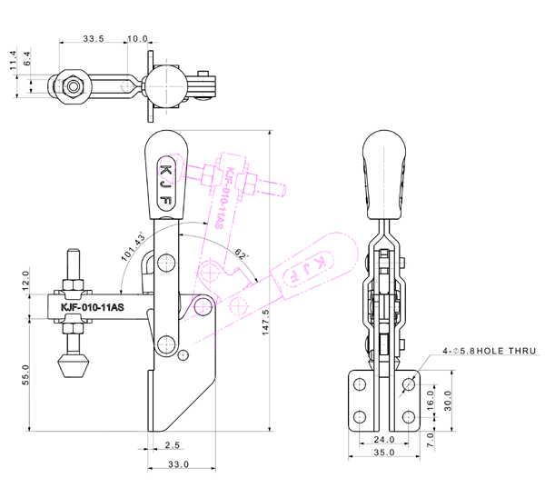
Model No.
KJF-010-11FS
Holding Capacity(kgf)
Weight(g)
Handle Move
Arm Move
Spindle Supplied
Spindle Adjust.(mm)
Arm Type
Arm Length
Base Type
Base Height
2D
3D
PDF
주문
100
165
62˚
101˚
M6 x 58.0L
34
U
Short
Flange
Low
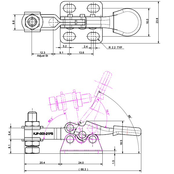
Model No.
KJF-018-11FS
Holding Capacity(kgf)
Weight(g)
Handle Move
Arm Move
Spindle Supplied
Spindle Adjust.(mm)
Arm Type
Arm Length
Base Type
Base Height
2D
3D
PDF
주문
180
376
66˚
114˚
M8 x 77.0L
48
U
Short
Flange
Low
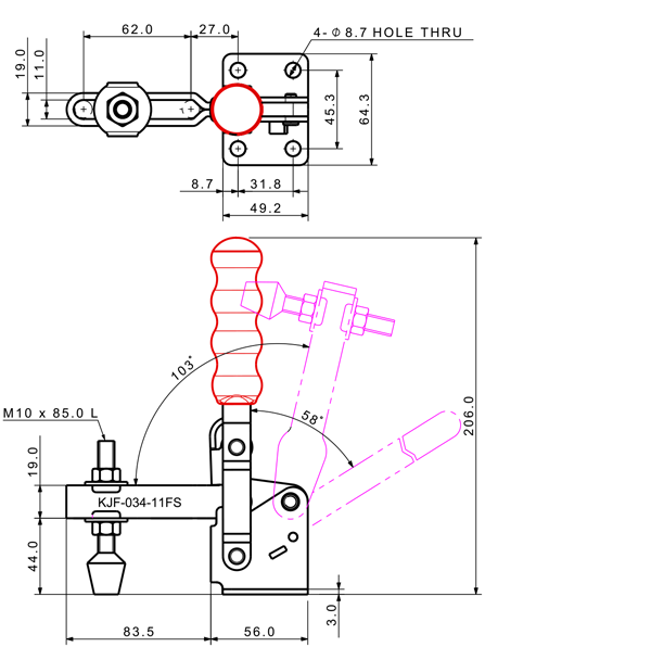
Model No.
KJF-034-11FS
Holding Capacity(kgf)
Weight(g)
Handle Move
Arm Move
Spindle Supplied
Spindle Adjust.(mm)
Arm Type
Arm Length
Base Type
Base Height
2D
3D
PDF
주문
340
659
58˚
103˚
M10 x 85.0L
62
U
Short
Flange
Low
Model No.
KJF-010-11AS
Holding Capacity(kgf)
Weight(g)
Handle Move
Arm Move
Spindle Supplied
Spindle Adjust.(mm)
Arm Type
Arm Length
Base Type
Base Height
2D
3D
PDF
주문
100
187
62˚
101˚
M6 x 58.0L
34
U
Short
Angle
Low
Model No.
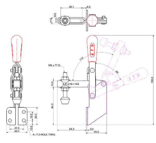
KJF-018-11AS
Holding Capacity(kgf)
Weight(g)
Handle Move
Arm Move
Spindle Supplied
Spindle Adjust.(mm)
Arm Type
Arm Length
Base Type
Base Height
2D
3D
PDF
주문
180
466
66˚
114˚
M8 x 77.0L
48
U
Short
Angle
Low
Model No.
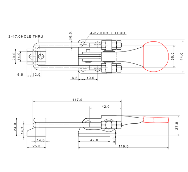
KJF-003-21FS
Holding Capacity(kgf)
Weight(g)
Handle Move
Arm Move
Spindle Supplied
Spindle Adjust.(mm)
Arm Type
Arm Length
Base Type
Base Height
2D
3D
PDF
주문
30
31
66˚
80˚
M5 x 23.0L
12
U
Short
Flange
Low
Model No.
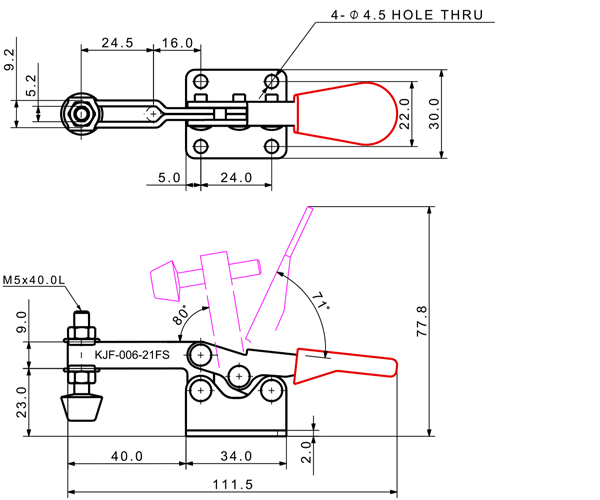
KJF-006-21FS
Holding Capacity(kgf)
Weight(g)
Handle Move
Arm Move
Spindle Supplied
Spindle Adjust.(mm)
Arm Type
Arm Length
Base Type
Base Height
2D
3D
PDF
주문
60
84
71˚
80˚
M5 x 40.0L
25
U
Short
Flange
Low
Model No.
KJF-007-21FS
* Material : Stainless Steel
Holding Capacity(kgf)
Weight(g)
Handle Move
Arm Move
Spindle Supplied
Spindle Adjust.(mm)
Arm Type
Arm Length
Base Type
Base Height
2D
3D
PDF
주문
70
56
179˚
95˚
M5 x 36.0L
14
U
Short
Flange
Low
Model No.
KJF-009-21FS
Holding Capacity(kgf)
Weight(g)
Handle Move
Arm Move
Spindle Supplied
Spindle Adjust.(mm)
Arm Type
Arm Length
Base Type
Base Height
2D
3D
PDF
주문
90
126
64˚
79˚
M6 x 58.0L
36
U
Short
Flange
Low
Model No.
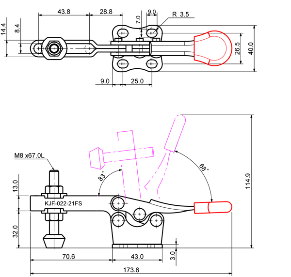
KJF-022-21FS
Holding Capacity(kgf)
Weight(g)
Handle Move
Arm Move
Spindle Supplied
Spindle Adjust.(mm)
Arm Type
Arm Length
Base Type
Base Height
2D
3D
PDF
주문
220
250
68˚
83˚
M8 x 67.0L
44
U
Short
Flange
Low
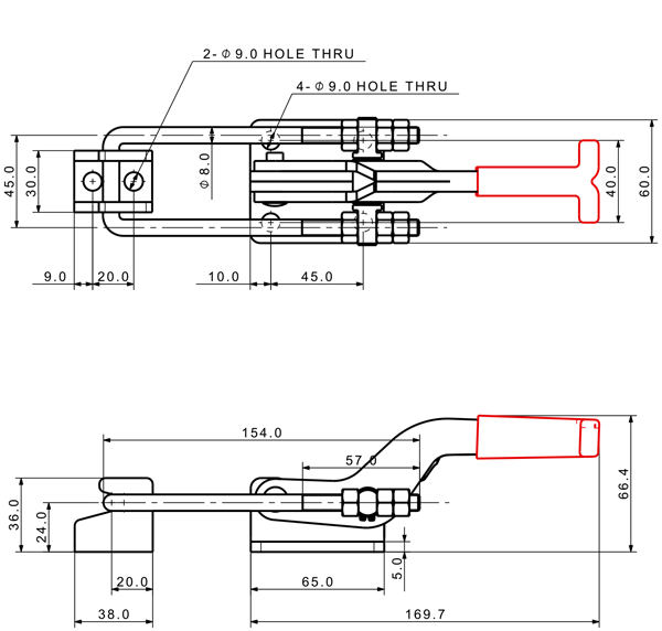
Model No.
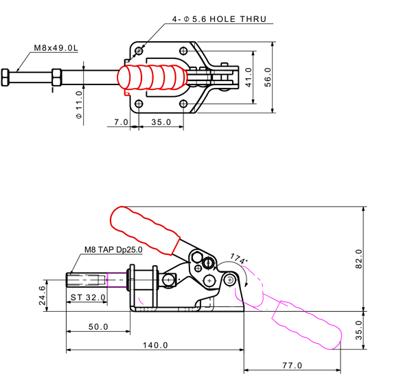
KJF-014-31FSR
Holding Capacity(kgf)
Weight(g)
Handle Move
Spindle Supplied
Rod Stroke(mm)
Base Type
2D
3D
PDF
주문
140
303
174˚
M8 x 49.0L
32
Flange
Model No.
KJF-040-31FSR
Holding Capacity(kgf)
Weight(g)
Handle Move
Spindle Supplied
Rod Stroke(mm)
Base Type
2D
3D
PDF
주문
400
600
180˚
M10 x 50.0L
42
Flange
Model No.
KJF-015-31FS
Holding Capacity(kgf)
Weight(g)
Handle Move
Spindle Supplied
Rod Stroke(mm)
Base Type
2D
3D
PDF
주문
150
281
186˚
M8 x 50.0L
40
Threaded
Model No.
KJF-016-41FS
Holding Capacity(kgf)
Weight(g)
U-bolt Adjust.(mm)
Base Type
2D
3D
PDF
주문
160
78
10
Flange
Model No.
KJF-016-42FS
Holding Capacity(kgf)
Weight(g)
U-bolt Adjust.(mm)
Base Type
2D
3D
PDF
주문
160
82
10
Flange
Model No.
KJF-025-41FS
Holding Capacity(kgf)
Weight(g)
U-bolt Adjust.(mm)
Base Type
2D
3D
PDF
주문
250
165
24
Flange
Model No.
KJF-025-42FS
Holding Capacity(kgf)
Weight(g)
U-bolt Adjust.(mm)
Base Type
2D
3D
PDF
주문
250
169
24
Flange
Model No.
KJF-032-41FAS
Holding Capacity(kgf)
Weight(g)
U-bolt Adjust.(mm)
Base Type
2D
3D
PDF
주문
320
251
20
Flange
Model No.
KJF-032-42FAS
Holding Capacity(kgf)
Weight(g)
U-bolt Adjust.(mm)
Base Type
2D
3D
PDF
주문
320
265
20
Flange
Model No.
KJF-032-41FS
Holding Capacity(kgf)
Weight(g)
U-bolt Adjust.(mm)
Base Type
2D
3D
PDF
주문
320
245
20
Flange
Model No.
KJF-032-42FS
Holding Capacity(kgf)
Weight(g)
U-bolt Adjust.(mm)
Base Type
2D
3D
PDF
주문
320
260
20
Flange
Model No.
KJF-070-41FS
Holding Capacity(kgf)
Weight(g)
U-bolt Adjust.(mm)
Base Type
2D
3D
PDF
주문
700
771
30
Flange
Model No.
KJF-070-42FS
Holding Capacity(kgf)
Weight(g)
U-bolt Adjust.(mm)
Base Type
2D
3D
PDF
주문
700
793
30
Flange
Model No.
KJF-090-41FSL
Holding Capacity(kgf)
Weight(g)
U-bolt Adjust.(mm)
Base Type
2D
3D
PDF
주문
900
750
8.5
Flange
TOP